Hayward Gegenstromanlage Calipsol JC 45 - vereint Spaß und Sport im Pool
Das Gegenstromanlagen KIT von Hayward inkl. Komplettem Bausatz und Kripsol Steuerung
Vorteile:
- Einfache Installation
- robuste, leistungsstarke Pumpe vom KRIPSOL
- formschöne weiße ABS-Frontplatte - Hochwertige Verarbeitungsqualität
- Pneumatiktaster zum ein- und ausschalten vom Becken aus
- richtungsgebundene justierbare Einströmdüse (oben, unten, rechts, links)
- beckenseitig einstellbare Durchflussmenge und Luftbeimischung
- Auch für kleinere Schwimmbecken geeignet
- Hochwertiger Folienflansch für Beton- und Styroporbecken mit Folienauskleidung geeignet
- Steuerung mit einer K-Power Steuerung von Kripsol
- Ausgestattet mit: Frontplatte Calipso, Umlenkbeschlag ø 40 mm, Aussparung mit Rückschlagventil und Luftleitungen, Elektropumpe, elektropneumatische Steuerung mit automatischer Rückstellung, kompletter Bausatz aus PVC - Made in Spain
Die Gegenstromanlage Hayward JC 45 ist ideal um eine künstliche Strömung in Ihrem Schwimmbecken zu erzeugen. Durch die Installation einer Gegenstromanlage im Pool erhalten Sie das Maximum an Vergnügen und gesundheitlichen Vorteilen. Diese Art von Sport- und Unterhaltung als zusätzliche Beckenausrüstung ist sehr beliebt. Ein starker Wasserstrahl ähnelt einer natürlichen Strömung. Mit dem Kauf von Hayward JC 45 KRIPSOL haben Sie die Möglichkeit, ein optimales Training für alle Muskelgruppen durchzuführen oder ausgiebig zu schwimmen, außerdem erhalten Sie einen unerschöpflichen Energieschub und gute Laune.
Funktionsweise:
Um die zum Schwimmen benötigte Strömung zu erzeugen, wird einfach Wasser aus dem Becken angesaugt, mit Luft vermischt und unter großem Druck zurück in das Schwimmbecken gepumpt. Dies hat zur Folge, dass auch in kleinen Becken große Strecken geschwommen werden können ohne ständig am Beckenrand wenden zu müssen.
Um die Gegenschwimmanlage einfach und komfortabel ein- bzw. ausschalten zu können ist direkt am Düsengehäuse ein sogenannter Pneumatikschalter angebracht. Dieser bietet zudem den Vorteil, dass die Gegenstromanlage direkt aus dem Becken heraus bedient werden kann ohne dieses zu verlassen.
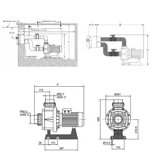
Nachdem die Gegenstromanlage aktiviert wurde, wird durch das in der Schwimmbeckenwand integrierte Einbau- und Düsengehäuse mit Hilfe der leistungsstarken KA350T1 Pumpe, das Wasser angesaugt. Dadurch wird im Inneren der Gegenstromanlage Druck aufgebaut um das Wasser mit einem kräftigen Strahl, zurück ins Becken zu führen. Auf Grund der vielen kleinen Öffnungen am Düsengehäuse wird der Ansaugdruck so gering wie möglich gehalten.
Zudem verfügt die Hayward JC 45 Gegenschwimmanlage über einen stufenlos verstellbaren Volumenstrom. Hierfür muss lediglich der Ring, welcher an der Düse angebracht ist gedreht werden. Mit Hilfe eines zweiten Reglers kann die Luftzufuhr reguliert werden um so den Wasserstrahl weicher zu machen und die Strömungsstärke optimal auf Ihre Bedürfnisse anzupassen.
Das Gerät erzeugt einen starken, gerichteten Wasserfluss, der die Möglichkeit bietet, auch in kleinen Becken ununterbrochen zu schwimmen. Mit einer solchen Gegenstromanlage können Sie Ihre eigene vollwertige Schwimmanlage gestalten. Mit Hilfe von Düsen kann das Gerät als effektives Massagegerät eingesetzt werden. Diese Anlage wird in die Beckenwand eingebaut und sollte bereits in den Pool Planungsphase berücksichtigt werden.
Durch die Installation eines Gegenstromanlage im Pool erhalten Sie das Maximum an Vergnügen und gesundheitlichen Vorteilen. Diese Art von Sport- und Unterhaltung als zusätzliche Beckenausrüstung ist sehr beliebt. Ein starker Wasserstrahl ähnelt einer natürlichen Strömung. Mit dem Kauf der Hayward JC 45 haben Sie die Möglichkeit, ein optimales Training für alle Muskelgruppen durchzuführen oder ausgiebig zu schwimmen - ein toller Energieschub und ein Garant für gute Laune.
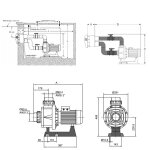
Technische Daten:
- Förderleistung: 45 m³/h
- Stromversorgung: 230V
- Abmessungen Platzbedarf: 750 x 1420 x 1000 mm (Breite x Länge x Höhe)
- Nettoleistung: 2,5 PS
- Leistungsaufnahme: 2,30 kW
- Anzahl der Düsen: 1
- Frontbeleuchtung: nein
- Schutzklasse: IP55
- Anschluss Fittings: 63mm/75mm
Lieferumfang:
Das Kit enthält eine Calipso-Frontplatte, eine Pumpe, eine Steuereinheit und einen Satz hochwertiger Armaturen eines europäischen Herstellers. Zusätzlich legen wir die Verrohrung der GSA bei, die Sie indiviuell zuschneiden und an die örtlichen Gegebenheiten anpassen können. Bedienungsanleitung mit Aufbauschema. Zusätzlich ist eine andere Frontplatte SENA erhältlich (optional).
Die Arbeiten und der elektrische Anschluss dürfen nur von einem Elektro Fachmann durchgeführt werden. Eine ausführliche Dokumentation finden Sie im Reiter PDF.
| Kategorie: | Gegenstromanlagen |
| Hersteller: | Hayward |
| Beckenart: | Folie/BetonFolie/StyroporPolypropylen/GFK |
| Beleuchtung: | keine |
| Spannung: | 230 V |
| Stromversorgung: | kabelgebunden |
| Typ: | Einbau Komplettsatz |
| Hersteller: | Hayward |
| Leistung: | 45 m³/h |